主营:数控机床及附件、通用设备及配件销售;自营和代理各类商品和技术的进出口,但国家限定公司经营或禁止进出口
咨询电话:
18802451655
| 价格 | ¥ 6500.00 |
| 起订量 | ≥1件 |
好货推荐
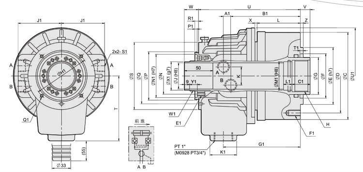
| 产地 | 沈阳 | 品牌 | 亿川 |
| 仓库 | 沈阳 | 是否定制 | 是 |
| 货物销售类型 | 现货、定制 | 质量等级 | 一级 |
| 包装 | 整车发货 | 可售卖地 | 全国 |
| 适用机床 | 车床 | 供货总量 | 按客户实际情况提供 |
| 适用范围 | 超短型中空回转油压缸 | 产品别名 | 液压中空回转油压缸 |
| 速度范围 | 4800~8000min-1(r.p.m.) |
PRODUCT DETAILS









产品推荐