主营:机电检测设备、计算机软硬件技术研发、技术咨询、技术服务;机电检测设备制造;测试仪器设备、监控设备、通
咨询电话:
18640375704
| 价格 | ¥ 50000.00 | ¥ 40000.00 |
| 起订量 | 1-3套 | ≥3套 |
好货推荐
| 产品名称 | 热量表检定试验机 | 型号 | RLJC-2000 |
| 品牌 | 微特技术 | 生产货源 | 中国辽宁省 |
| 数量 | 充足 | 执行标准 | 国标 |
PRODUCT DETAILS
温馨提示:设备价格仅供参考,具体报价根据设备定制报价
我公司自1998年以来,一直致力与各省计量科学研究院、质量监督单位、建筑科学研究院充分合作,从事计量检测、建筑节能系列检测设备研制生产。在充分发挥国内大型综合性科研院所热工、机械、暖通、制冷、锅炉、自控、仪器仪表及计算机多学科综合科研优势,并吸取国内外相关产品的经验教训基础上,研制开发新一代RLJC-2000系列热量表检定试验机。参照欧洲《热量表》标准(EN-1434:1997),其设计完全符合我国现有标准CJ128-2007《热量表》,JJG225-2001《热能表国家计量检定规程》的要求。
RLJC-2000系列热量表检定试验机详细的规格型号为RLJC-2000-A/B-25/50;从用途上区分,分为A、B两种型号:其中A型专用于建筑供暖用热水表检测;B型在A型基础上增加制冷机组、冷水箱等装置,可以用于冷水表、热水表等热(能)量表检测。从适用表型口径规格上区分,可分为25、50两种规格:其中25表示适用最常用热量表的规格:DN15~25;50表示适用的热量表规格:DN15~50。不同的型号规格采用不同价位,更方便用户选用,以节约设备初投资,获取最大的经济效益。
RLJC-2000系列热量表检定试验机具有多功能、完善的检测项目,既满足各种热量表、冷热水表计量测试运行检查、强度与密封性试验、允许压力损失实验、准确度等级(总量检定、分量检定)、电池使用寿命(外配示波器)、电源电压变化检查(电池欠压提示)、重复性、耐久性、断电保护等技术要求,又力求降低该试验室的初投资及将来使用该装置的运行维护成本。
本试验机是对各种热量表(包括普通式,IC卡式及其它方式)进行计量检定的标准装置。该设备具有高度自动化功能、完备的检测功能、高精度及高度的可靠性能,克服了国内其它同类设备所存在的诸多弊端和不便,是目前国内质量好、技术先进的热量表检定(测)设备。
本试验机既适合于热量表生产企业对热量表进行出厂检定,也适合供热企业及计量部门、质量管理部门对热量表进行首次强制检定、后续检定及质量管理部门对生产热量表的企业进行型式实验和样机实验。
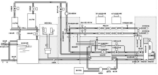
l 系统组成
本试验机由(1)热水流量标准检测系统;(2)质量流量法校准系统;(3)配对温度传感器检测系统;(4)温度、压力、流量等信号计算机自动数据采集、计算处理系统;(5)水源智能温度调节系统(B型增加冷水系统);(6)热能表耐压强度和密封试验装置;(7)热能表压损试验装置;(8)热量表交直流电源调节检定系统;(9)试件气动装卡试验台及其成套夹具装置等九部分组成。
热水流量标准检测系统主要由一台变频、一台高压高流量不锈钢多级水泵、一台储能罐、电动调节阀门、三台快速切断气动阀门、大小量程两台流量计以及热量表连接保温管路组成。
质量流量法校准系统主要由两台(梅特勒、托利多)精密电子秤和称重容器(质量法)、可升降称重台组成。
配对温度传感器检测系统主要由两个冷热恒温水槽(杭州博日)、两支二等标准铂电阻温度计、一台二等标准铂电阻专用温度巡检仪和多个热能表温度传感器防护套组成。
温度、压力、流量等信号计算机自动数据采集、计算、处理、监控系统主要由进出口温度传感器、压力传感器、差压变送器、流量传感器测量仪表以及工业控制计算机系统、PLC系统等组成。
系统各组成部分连接示意图如下:

l 工作原理
系统先自动加热循环热水箱的水温至设定温度值,并开启电动调节阀门到该流量点设定阀位;然后启动变频水泵,将热水送入大小不同的试验管道,经标准的电磁流量计及被检热量表(在采用质量法进行校正时,还要流经称重容器),返回到热水箱;计算机监控系统通过调节流量调节阀和变频水泵的转速,将流量大小自动调节到所设置的流量点上;将标准温度计和被检表的温度传感器一起分别置于两个恒温水槽中(模拟入口和出口温度),待系统运行稳定后开始检定,计算机系统在检定过程中采集有关流量(质量法还有热水的质量)、温度及压力等信号,运行一段时间后停止检定,依据相关热力学公式由计算机自动计算检定期间的标准热量值。通过标准热量值和被检表的热量示值进行比较计算,实现对被检表的检定测试。
由流量标准装置检测出流经被检热量表的热水流量,由两个恒温槽分别模拟入口和出口环境温度,通过两个标准铂电阻测出入口和出口温度,由计算机根据相关的热力学公式
Q=![]()
qm .Δh .dt 计算出标准热量值,通过标准热量值和被检热量表测出的热量值相比较,从而计算出被检表的误差。
式中: Q—-释放的热量,单位:kJ;qm——流经热能表中载热液体的质量流量, 单位:kg/s;
Δh——热交换回路中入口温度与出口温度对应的载热液体的比焓值差,单位:kJ/kg;t——时间, 单位:s
l 功能特点
(1)流量点和温度点的检定过程全部实现自动化。
(2)标准表法使用,质量法校准。
(3)强大完备的系统自诊断功能。
(4)完备的修正系数,大大提高了系统的精度,同时为用户将来的标定工作,确保系统的长期稳定性和高精度提供了保障。
(5)一台设备,多功能使用。
(6)独特的保温管路设计系统。
(7)整体设计最优化,简捷高效。
l 主要技术参数
(1)检定装置试验管径:25系列:DN15-DN25;50系列:DN15-DN50
(2)检定装置流量范围:25系列:0.03m3/h-6m3/h;50系列:0.03m3/h-25 m3/h
(3)装置整体不确定度:≤0.3%
(4)夹表数量:25系列:1~12只;50系列:DN15~25的表1~12支;DN40、50的表1~8支;
(5)瞬时流量波动系数:≤1.0%
(6)热水流量标准检测系统不确定度:0.2%
(7)配对温度传感器检测系统不确定度:0.02℃,k=2
(8)自动数据采集处理系统不确定度:0.1%,k=2
(9)压损试验装置测量不确定度:≤0.5%
(10)耐压装置试验强度:2.0MPa
(11)温度测量范围:4℃-95℃;最小温差:3℃
(12)环境温度:10℃-40℃;相对湿度小于85%RH
(13)供电电源:AC380V三相五线制电源,(接地电阻≤4Ω) 功率:≤13kW;防护等级:IP54
注:由于型号规格的不同,试验机实际效果、结构示意图与所列的照片、图片稍有不同,具体形式、效果以供货合同和实物为准。
沈阳微特应用技术开发有限公司
销售电话:024-88332097–88331292 客服电话: 024-88335255-8010,024-024-88328495
传 真: 024-88315299 网 址:www.sywt.com.cn 电子信箱:sywtkfgs@163.com
地 址:辽宁省沈阳市大东区望花南街45号 邮政编码:110044
产品推荐