主营:阀门|阀门配件销售制造|电动气动装置制造维修销售|给排水设备|暖通设备
咨询电话:
15998323636
| 价格 | ¥ 500.00 |
| 起订量 | ≥1台 |
好货推荐
| 品牌 | 欧冠阀门 | 发货地 | 沈阳 |
| 标准 | 国标 | 适用温度 | ≤425° |
| 加工定制 | 是 | 类型(通道位置) | 直通式 |
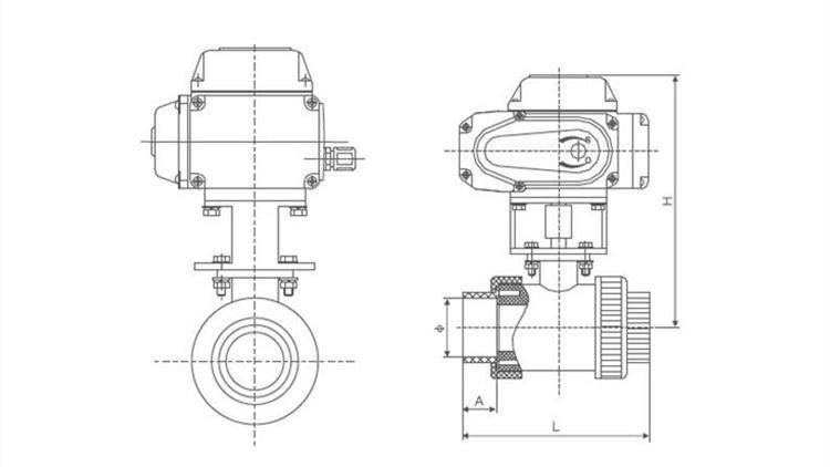
| 流动方向 | 换向 | 公称通径 | DN15~DN100 |
| 型号 | Q961F/Q911F | 适用介质 | 水 蒸汽 油品 |
| 标准 | 国标 | 零部件及配件 | 执行器 |
| 工作压差 | 1.0Mpa | 介质温度 | -10℃~60℃ |
| 用途 | 截止 | L尺寸 | 112mm~333mm |
| D尺寸 | 31mm~146mm |
PRODUCT DETAILS














产品推荐