主营:主要经营:全预混低氮变频冷凝燃气锅炉 纯铜冷凝燃气模块锅炉 燃气(油)热水供暖锅炉、燃气(油)蒸汽锅
咨询电话:
15712453339
| 价格 | ¥ 38512 | ¥ 36841 | ¥ 35116 |
| 起订量 | 2-3台 | 3-4台 | ≥4台 |
好货推荐
| 锅炉名称 | 卧式燃气燃油蒸气锅炉 | 锅炉型号 | WNS 0.5-0.7-Q.Y |
| 额定发热量 | 500kg/h | 额定工作压力 | 0.7Mpa |
| 饱和蒸汽温度 | 170℃ | 热效率(气/油) | 101.06% |
| 受热面积(锅炉+节能器) | 12.292+10.4 | 锅炉容水量 | 1.19m3 |
| 烟道尺寸 | φ250 | 给水口径 | DN25 |
| 主汽口径 | DN50 | 安全阀口径 | DN40 |
| 排污口径 | DN40 | 燃料耗量 | 0#轻柴油33.17kg/h,天燃气39.92Nm3/h |
| 运输重量 | 2200kg | 外形尺寸(长*宽*高) | 2450*1700*1700 |
PRODUCT DETAILS

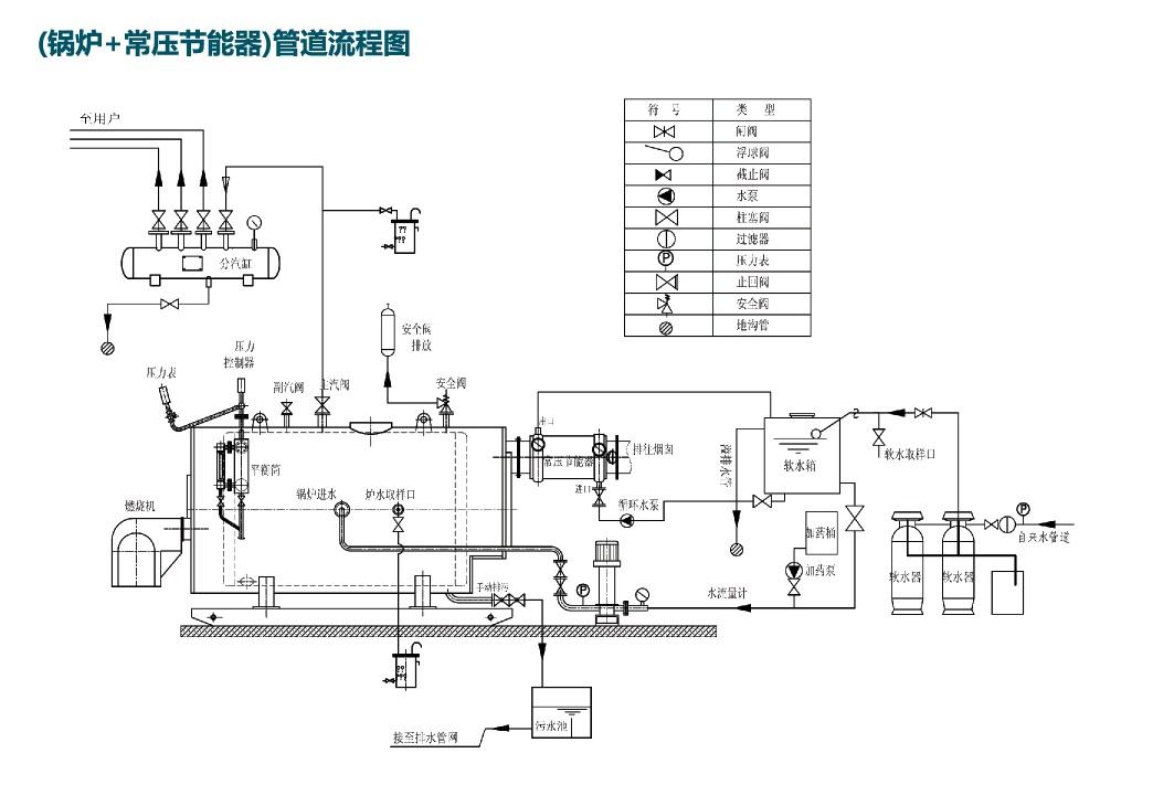
卧立燃气燃油蒸汽锅炉
产品特点:
1、 采用湿背式三回程结构,烟管以炉胆轴对称,均匀分布,能改善管板的应力分布,湿背式结构燃烧室完全浸入水中,冷却条件好,后管板不受高温烟气冲刷,使用寿命长。
2、 波纹炉胆的应用既增加了受热面又缓解热胀冷缩可能对燃烧室的损伤,提高强度。大炉膛容积燃烧完全,充分节约燃料。
3、 前烟箱采用铰链式连接,可方便开启。双层门隔热保温既降低前面板温度又提高热效率。
4、 大蒸汽空间使蒸汽脱离水面的速度低,且内置汽水分离装置,确保稳定输出高品质蒸汽。
5、 采用螺纹烟管,增强换热效果,提高了热效率。
6、 应用先进的数字化控制技术,可远程精确监控燃烧过程。自动化程度高,各种保护完善,实现水位压力等自动控制。
7、 出烟口可增设冷凝换热器,降低排烟温度吸收烟气中的显热和潜热,提高锅炉的效率(达98%以上)。






产品推荐